0.9,THD<15%),支持雙繞組 Flyback 拓撲,無需輔助繞組,單級 APFC 的高精度原邊反饋 LED恒流驅動器">
首頁 >> 產品中心 >> BPS晶豐明源 >> AC/DC隔離高PF
BP3336B 是一款單級 APFC 的高精度原邊反饋 LED 恒流驅動器,內置 650V 高壓 MOSFET,適用于 90Vac-277Vac 全范圍輸入電壓。
BP3336B 芯片采用固定導通時間的控制機制,能夠 實現高功率因數。內置 THD 優化模塊可以進一步 降低了 THD,針對全電壓輸入,可以實現 THD<15%。 開關工作在臨界導通模式,降低開關損耗及 EMI。 BP3336B 內置高壓啟動,搭配快速啟動控制,可以 在全電壓輸入下實現小于 500ms 以內的啟動時間。 BP3336B 內置輸入電壓和負載補償線路,可以實現 極佳的線性調整率和負載調整率。
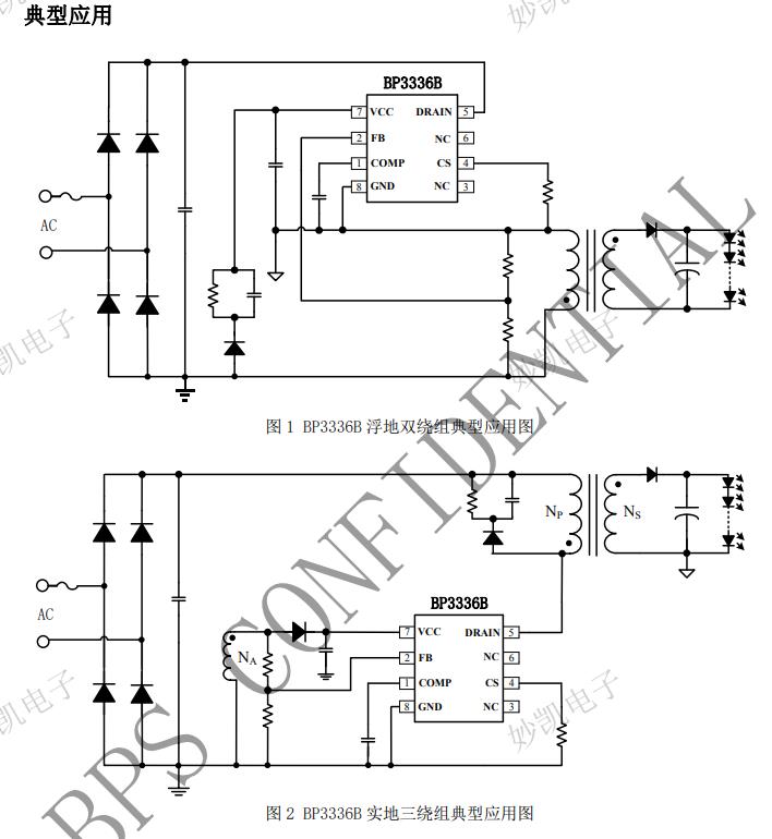
BP3336B 可以支持單繞組浮地 Buck-boost 或者兩 繞組/三繞組的隔離 Flyback 拓撲。 BP3336B 采用 SOP-8 封裝。
特點 ? 輸入 90-277Vac ? 高 PF 低 THD(PF>0.9,THD<15%) ? 支持雙繞組 Flyback 拓撲,無需輔助繞組 ? 內置高壓啟動,啟動時間<500ms ? 高精度電流參考(+/-3%) ? 優異的線性、負載調整率 ? 臨界導通模式 ? 低工作電流 ? VCC 欠壓鎖定 ? 逐周期限流 ? 輸出開路/短路保護 ? 過溫降電流 ? 支持 SOP-8 封裝
應用 ? LED 內置/外置電源 ? 燈管驅動




| 產品型號 | 封裝 | MOS內阻 | MOS耐壓 | 反激/升降壓 | 內置保護 | 輸出功率 @Vin:85V-265V(W) | 輸出功率 @Vin:176V-265V(W) |
| BP3336B | SOP8 | 4.8Ω | 650V | Y | OTP/OVP | <10W | <16W |
| BP3336D | SOP8 | 2.15Ω | 650V | Y | OTP/OVP | <13W | <18W |
| BP3337E | DIP7 | 1.1Ω | 650V | Y | OTP/OVP | <24W | <40W |
| BP3339 | SOP8 | / | / | Y | OTP/OVP | - | - |