首頁 >> 產品中心 >> BPS晶豐明源 >> AC/DC隔離低PF
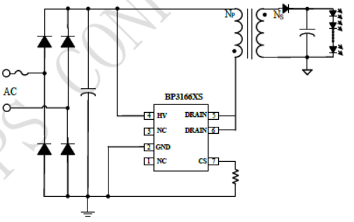
BP3166XS 是一款高精度反激型的 LED 恒流驅動芯片。芯片工作在電感電流斷續模式,適用于85Vac~265Vac 全范圍輸入電壓的隔離反激型 LED恒流電源。 BP3166XS 芯片內部集成高壓功率開關,采用柵極退磁檢測技術和高壓 JPET 供電技術,無需 VCC 電容和啟動電阻,使其外圍器件更簡單,節約了外圍的成本和體積。
優勢 無 VCC 電容、無啟動電阻 集成高壓供電功能 無需輔助繞組檢測和供電 寬范圍輸入電壓 士5% LED 輸出電流精度 LED 短路保護 LED開路保護 多燈并聯無閃爍 芯片供電欠壓保護 過熱調節功能
應用領域 球泡燈LED LED 簡燈 其它 LED 照明

| 產品型號 | 封裝 | MOS內阻 | MOS耐壓 | 過溫 保護 | 防多燈 并聯閃燈 | 開路保護 | 輸出功率 @Vin:85V-265V(W) | 輸出功率 @Vin:176V-265V(W) |
| BP3166XS | SOP7 | 25Ω-14Ω | 650V | Y | Y | Y(Internal) | 3W-5W | 5W-7W |
| BP3166XH | SOP7 | 9Ω-3Ω | 650V-600V | Y | Y | Y(Internal) | 7W-12W | 9W-15W |
| BP3167XH | DIP7 | 4.7Ω-2Ω | 650V-600V | Y | Y | Y(Internal) | 12W-24W | 15W-24W |
| BP3189A | SOP8 | - | - | Y | Y | Y(External) | 50W | 100W |
| BP3336DB | SOP8 | 2.4Ω | 650V | Y | Y | Y(External) | - | 30W |
| BP3186CB | SOP8 | 5.7Ω | 650V | Y | Y | Y(External) | - | 20W |
| BP3187DB | DIP7 | 2Ω | 650V | Y | Y | Y(External) | - | 40W |
| BP3187ED | DIP7 | 2.5Ω | 700V | Y | Y | Y(External) | - | 45W |
| BP3182EB | BPSOP10 | 1.8Ω | 650V | Y | Y | Y(External) | - | 40W |
| BP3182ED | BPSOP10 | 2Ω | 700V | Y | Y | Y(External) | - | 40W |
| BP3187EB | DIP7 | 1.8Ω | 650V | Y | Y | Y(External) | - | 50W |
| BP3337DB | DIP7 | 2Ω | 650V | Y | Y | Y(External) | - | 40W |
| BP3337EB | DIP7 | 1.8Ω | 650V | Y | Y | Y(External) | - | 50W |
| BP3189B | SOP8 | External | External | Y | Y | Y(External) | - | 100W |