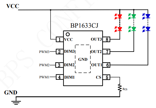
BP1633CJ 是一款三通道可調光 LED 線性恒流驅動芯片,內置 40V/100mA MOSFET,通過調節輸入的 3 路PWM 信號占空比,來調整對應 LED 光源的電流,從而達到調光目的。 BP1633CJ 支持 PWM 調光信號,可以搭配常見的調光模塊實現調光功能。 BP1633CJ 具有過溫調節功能。當 LED 電流過大導致芯片溫度過高時,將降低輸出電流。
優勢 三路線性 PWM 調光 內置三路 40V/100mA MOSFET 兼容 10kHz 以下的 PWM 信號 單個 Rcs 設定三路輸出電流 待機電流<100uA 芯片間輸出電流偏差±5% 芯片內三路之間輸出電流偏差±5% 采用 ESOP8 封裝
應用領域 調光調色智能燈泡 LED其他 LED智能照明


| 產品型號 | 封裝 | 線補償 | 單顆功率 | 輸出最大電流能力 | 通道數 | MOS BV | 調光接口 | DIM Mode | 應用 |
| BP5712E | ESOP8 | Y | 10W | 80mA | 1 | 500V | PWM | 無頻閃 | ErP高壓線性單路調光恒流驅動 |
| BP5711EJ | ESOP8 | Y | 10W | 120mA | 1 | 500V | PWM/Analog | 斬波 | 高壓線性單路調光恒流驅動(斬波輸出) |
| BP5711FJ | ESOP8 | Y | 10W | 180mA | 1 | 500V | PWM | 無頻閃 | 高壓線性單路調光恒流驅動(模擬輸出) |
| BP5772D | ESOP8 | Y | 10W | 80mA | 2 | 500V/500V | PWM | 無頻閃 | ErP高壓線性雙路調光調色恒流驅動 |
| BP5776EK | EMSOP8 | Y | 5W | 100mA | 2 | 500V/500V | PWM | 無頻閃 | PWM轉模擬、雙通道高壓線性調光調色恒流驅動 |
| BP5778EK | ESOP8 | Y | 10W | 100mA | 2 | 500V/500V | PWM | Analog | PWM轉模擬、雙通道高壓線性調光調色恒流驅動 |
| BP5778EJ | ESOP8 | N | 10W | 120mA | 2 | 500V/500V | PWM/Analog | 斬波 | 支持PWM和模擬DIM、雙通道線性調光調色恒流驅動 |
| BP1633CJ | ESOP-8 | N | 10W | 100mA | 3 | 40V / 6Ω | PWM | 斬波 | 三路獨立PWM調光調色 |
| BP1638CJ | ESOP-8 | N | 10W | 200mA | 3 | 40V / 6Ω | PWM | 斬波 | 三路獨立PWM調光調色 |
| BP1658CJ | ESOP-8 | N | 10W | CW:<75mA, RGB:<150mA | 5 | CW:500V RGB:40V | I2C | 無頻閃 | I2C五路線性調光調色 |
| BP5758D | ESOP-8 | N | 10W | 90mA | 5 | 500V | I2C | 無頻閃 | I2C五路線性調光調色 |
| BP5768D | ESOP10 | Y | 10W | 90mA | 5 | 500V | I2C | 無頻閃 | 新ErP,I2C五路線性調光調色 |