



LP35119 是一款高性能高耐壓的副邊同步整流控制 芯片,適用于 AC-DC 的同步整流應用。LP35119 支持 DCM、QR 和 CCM 多種工作模式。 LP35119 采用專利的整流管開通判定技術,可以有 效的避免因激磁振蕩引起的驅動芯片誤開通。
LP35119 具有極快的關斷速度,可以大幅度降低在 CCM 工作條件下因關斷延遲造成的效率損失。 LP35119 集成 VCC 供電技術,在不需要輔助繞組 供電的情況下,保證芯片 VCC 不會欠壓。
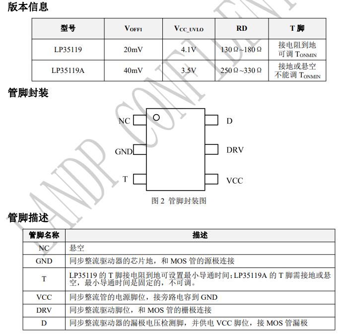
LP35119 采用 SOT23-6L 封裝。
特點 ? 隔離型的同步整流控制應用 ? 兼容 DCM、QR 和 CCM 多種工作模式 ? 控制芯片 200V 高耐壓 ? 高驅動電壓 ? 專利的整流管開通技術 ? 極快的關斷速度
? 可調的同步 MOS 關斷閾值 ? 集成 VCC 供電技術 ? 芯片供電欠壓保護 ? 芯片過壓鉗位 ? 芯片啟動前驅動腳防誤導通 ? 外圍元器件少
應用 ? 充電器和適配器的同步整流 ? 其它反激控制


