LP8718B 是一款適合于副邊控制反激應用的恒壓 恒功率恒流驅動芯片。 LP8718B 內部集成 650V 高壓功率管,采用特有的 檢測方式和算法,系統可以工作在恒壓、恒功率以 及恒流輸出狀態。 在恒壓工作狀態時,芯片采用峰值電流控制模式, 并且在中載以下開始降低頻率以提升平均效率,在 輕載或者空載時,系統工作在打嗝模式; 在恒功率、恒流工作狀態時, 芯片通過 DET 腳位 電壓推算出輸出電壓和退磁點,根據不同的系統輸 出電壓來設定不同的輸出電流限流值來實現高輸 出電壓恒功率和低輸出電壓恒流特性。 芯片采用特有的頻率抖動技術來改善 EMI 指標。
LP8718B 具有多重保護功能,包括 VCC 欠壓保護, VCC 過壓保護,輸出短路保護、輸出同步整流短路 保護,過溫保護,輸入欠壓保護,輸出過壓保護, 光耦輸入端短路保護,CS 電阻短路保護等功能。
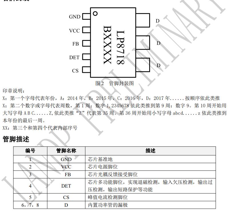
LP8718B 采用 ASOP6
特點 ? 集成>650V功率管 ? 峰值電流模式的恒壓控制 ? 特有的恒功率恒流控制 ? 低啟動電流,降低待機功耗 ? 特有的斜坡補償技術 ? 優異的EMI特性和音頻特性
? 低待機功耗 ? 多重保護功能 ? VCC欠壓保護 ? VCC過壓保護 ? CS電阻短路保護 ? 輸出同步整流短路保護 ? 輸出短路保護
? 可編程的輸入欠壓保護 ? 光耦輸入端短路保護 ? 過溫保護
應用 ? 多輸出電壓場合的快充應用 ? 其他恒壓應用場合



| LP8718B | 650 | 2 | 9 | 59 | 65 | Yes | Auto | Auto | Auto | Auto | Auto | ASOP6 | QC20W |
| LP8718C | 650 | 1.3 | 9 | 58 | 65 | Yes | Auto | Auto | Auto | Auto | Auto | ASOP6 | QC25W |
| LP8718LC | 650 | 1.3 | 9 | 58 | 65 | Yes | Auto | Auto | Auto | Auto | Auto | ASOP6 | QC25W |
| LP8718CH | 650 | 1.3 | 9 | 58 | 65 | Yes | Auto | Auto | Auto | Auto | Auto | ASOP6 | QC25W |
| LP8719C | 650 | 0.9 | 9 | 57 | 65 | Yes | Auto | Auto | Auto | Auto | Auto | ASOP6 | QC33W |
| LP8719D | 650 | 1.3 | 9 | 57 | 65 | Yes | Auto | Auto | Auto | Auto | Auto | DIP7 | QC33W |