LP3710 采用特有的檢測方式和算法,系統可以工作在 恒壓和恒流兩種狀態。 LP3710 采用原邊反饋控制方式,可省略光耦和 TL431,可以工作在 DCM 和 CCM 兩種工作方式。
在恒壓工作狀態下,系統的工作方式隨負載的變化而 變化,當負載為重載的時候,其工作在峰值電流控制 的定頻方式,原邊峰值電流隨負載的降低而降低,當 負載降低到一定程度時,系統工作在變頻方式,通過 降低系統工作頻率的方式來提高全負載范圍內的平均 效率。
在恒流工作狀態時, 芯片通過 FB 電壓得到副邊電流 退磁占比,通過 CS 電壓的中心點來取得副邊電流退 磁時間內的電流平均值,通過固定所述電流平均值和 退磁占比的乘積來實現良好的恒流特性。 為了提升整體系統的 EMI 特性,LP3710 通過特有的 多位數字臺階抖頻技術來降低傳導能量,同時 LP3710 通過分段驅動方式來減小輻射能量,讓電源系統在低 成本的情況下可以通過認證。
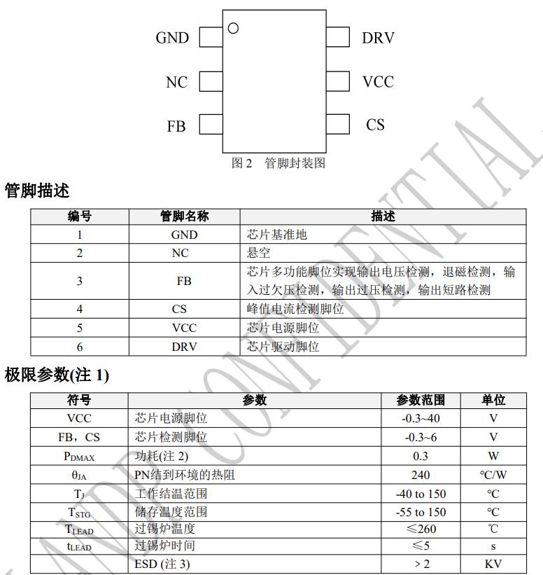
LP3710 采用 SOT23-6L 封裝
特點 ? 支持CCM和DCM多模式工作方式 ? 高精度的恒壓、恒流輸出特性 ? 特有的PEAKLOAD功能 ? 優異的EMI特性 ? 優異的音頻特性 ? 低啟動電流,實現低待機功耗<75mW ? 可編程的輸出線纜補償功能
? 內置環路補償方式,省略外圍補償元件 ? 內置軟啟動電路 ? 多重保護機制: ☆ 可編程輸入欠壓保護 ☆ FB反饋電阻開短路保護 ☆ CS開短路保護 ☆ 輸出短路保護 ☆ 輸出過壓保護 ☆ 電感過電流保護 ☆ 過溫保護(OTP) ☆ VCC過壓保護/VCC欠壓保護
應用 ? 充電器和適配器應用 ? 其他恒壓恒流應用場合



