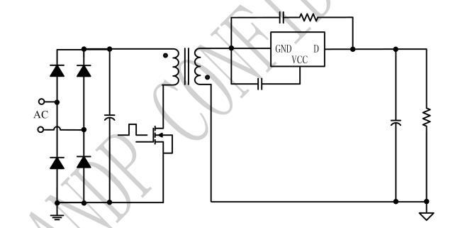
LP3588CS 為高性能的開關電源同步整流產品,兼 容多種開關電源控制系統。LP3588CS 支持 DCM 和 CCM 多種工作模式。
LP3588CS 采用專利的整流管開通判定技術,可以 有效的避免因激磁振蕩引起的驅動芯片誤開通。 LP3588CS 具有極快的關斷速度,可以大幅度降低 在 CCM 工作條件下因關斷延遲造成的效率損失。
LP3588CS 集成 VCC 供電技術,在不需要輔助繞組 供電的情況下,保證芯片 VCC 不會欠壓。
LP3588CS 采用 SOP8L 封裝。
特點 ? 開關電源同步整流應用 ? 兼容 DCM 和 CCM 多種工作模式 ? 內置高耐壓功率管 ? 專利的整流管開通技術 ? 集成 VCC 供電 ? 芯片供電欠壓保護 ? 芯片過壓鉗位 ? 外圍元器件少
應用 ? 充電器和適配器的同步整流 ? 正激控制器和反激控制器 ? 其他開關電源控制系統

| Part No. | MOS BV (V) | Rdson (mΩ) | Vcc Self Sup. | Vcc (V) | Ton_min (us) | Dynamic | Vcc_on (V) | Voff (mV) | Vcc_uvlo (V) | Vd PIN | Package | Application |
| LP3568AG | 40 | 20 | Yes | 5.1 | 1.2 | No | 3.6 | -5 | 2.3 | No | SOP8L | 5V/2A |
| LP3568ADL | 40 | 20 | Yes | 5.1 | 1.2 | Yes | 3.6 | -5 | 2.3 | Yes | SOP7L | 5V/2A |
| LP3568AS | 40 | 20 | Yes | 5.1 | 1.2 | Yes | 3.6 | -5 | 2.3 | Yes | SOP7L | 5V/2.4A |
| LP3568BG | 40 | 13 | Yes | 5.1 | 1.2 | No | 3.6 | -5 | 2.3 | No | SOP8L | 5V/2.4A |
| LP3568C | 40 | 8 | Yes | 5.1 | 1.2 | No | 3.6 | -5 | 2.3 | No | SOP8L | 5V/3.4A |
| LP25R060S | 60 | 25 | Yes | 5.1 | 1.2 | Yes | 3.6 | -5 | 2.3 | Yes | SOP7L | 18W |
| LP25R060SC | 60 | 30 | Yes | 5.1 | 1.2 | Yes | 3.6 | -5 | 2.4 | Yes | SOP7L | 18W |
| LP15R060S | 60 | 12 | Yes | 5.1 | 1.2 | No | 3.6 | -5 | 2.3 | Yes | SOP7L | PD20W |
| LP15R060SC | 60 | 14 | Yes | 5.1 | 1.2 | No | 3.6 | -5 | 2.4 | Yes | SOP7L | PD20W |
| LP15R060SD | 60 | 10 | Yes | 5.1 | 1.2 | No | 3.6 | -5 | 2.3 | Yes | SOP7L | PD20W |
| LP10R060SD | 60 | 10 | Yes | 5.1 | 1.2 | Yes | 3.6 | -5 | 2.3 | Yes | SOP7L | 24W |
| LP10R060AB | 60 | 10 | Yes | 5.1 | 1.2 | No | 3.6 | -5 | 2.3 | Yes | ASOP6 | 12V/3A |
| LP3588AS | 80 | 35 | Yes | 5.1 | 1.2 | No | 3.6 | -5 | 2.3 | No | SOP8L | 12V/1.5A |
| LP3588BS | 80 | 17 | Yes | 6.1 | 1.6 | No | 4.4 | -5 | 4 | No | SOP8L | 12V/2A |
| LP3588BSB | 85 | 17 | Yes | 6.1 | 1.6 | No | 4.4 | -5 | 4 | Yes | SOP8L | 12V/2A |
| LP3588ASD | 80 | 16 | Yes | 5 | 1.2 | Yes | 3.5 | -5 | 2.1 | Yes | SOP8L | 12V/2A |
| LP3588CS | 80 | 12 | Yes | 6.1 | 1.6 | No | 4.4 | -5 | 4 | No | SOP8L | 12V/3A |
| LP3588CSF | 85 | 12 | Yes | 6.1 | 1.6 | No | 4.4 | -5 | 4 | Yes | SOP8L | 12V/3A |
| LP20R061S | 100 | 17 | Yes | 6.1 | 1.6 | No | 4.4 | -5 | 4 | No | SOP8L | 12V/2A |
| LP15R100OS | 100 | 12 | Yes | 6.1 | 1.6 | No | 4.4 | -5 | 4 | No | SOP8L | 12V/2.5A |
| LP20R100TA | 100 | 17 | Yes | 6.1 | 1.2 | No | 4.4 | -5 | 4 | No | TO252 | 36W |
| LP15R100TA | 100 | 12 | Yes | 6.1 | 1.2 | No | 4.4 | -5 | 4 | No | TO252 | 40W |
| LP15R045FN | 45 | 15 | Cap Inside | 5.1 | 0.5 | No | 3.6 | -5 | 2.4 | No | TO220F | 5V/5A |
| LP20R100FN | 100 | 17 | Cap Inside | 6.1 | 1.6 | No | 4.5 | -5 | 4 | No | TO220F | 12V/3A |
| LP215R100FN | 100 | 12 | Cap Inside | 6.1 | 1.6 | No | 4.5 | -5 | 4 | No | TO220F | 12V/5A |
| LP15R120FN | 120 | 15 | Cap Inside | 6.1 | 1.6 | No | 4.5 | -5 | 4 | No | TO220F | 12V/4A |
| LP10R100FN | 100 | 8 | Cap Inside | 6.1 | 1.6 | No | 4.6 | -5 | 4 | No | TO220F | 12V/5A |
| LP10R100N | 100 | 8 | Yes | 7.1 | 0.35 | No | 4.4 | 20 | 4 | Yes | PDFN5*6 | 12V/3A |
| LP10R100HS | 100 | 8 | Yes | 6.2 | 0.35 | No | 4.4 | 20 | 4 | Yes | SOP8L | 12V/3A |
| LP15R120HS | 120 | 15 | Yes | 6.1 | 1.6 | No | 4.4 | -5 | 4 | Yes | SOP8L | 印現12V/2A |