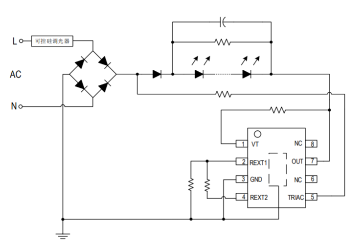
SM2196 是一款高效帶可控硅檢測、線網電壓補償的雙通道LED線性恒流控制芯片。通過檢測VT端口電壓控制輸出電流,通過檢測TRIAC端口電壓控制泄放電流,從而使得在無可控硅接入系統時,關閉TRIAC端口,在有可控硅接入時,正常開啟TRIAC端口。
特性 a)OUT端口輸出電流外置可調,最大電流可達380mA b)TRIAC端口輸出電流外置可調,最大電流可達50mA c)芯片間輸出電流偏差<±5% 輸入電壓:120Vac 內置線網電壓補償 內置可控硅在線檢測 支持可控硅調光應用 具有過溫調節功能 芯片可與LED共用PCB板
封裝形式:ESOP8

IC Name | Topology | IOUT Precision | IOUT.MAX | HV_MOSFET | BVDSS | Channel | Segment | Dimming mode | Package |
|---|---|---|---|---|---|---|---|---|---|