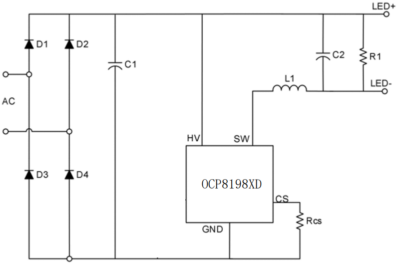
OCP8198是一款非隔離降壓型LED恒流驅動 器,適用于85VAC-265VAC全范圍輸入電壓應用。 芯片采用恒定峰值關斷、電感電流臨界開啟的工作 模式。
OCP8198內部集成高壓 JFET 啟動及供電電路, 加速系統啟動并減少外部元器件,包括省去 VCC 電 容和啟動電阻。
OCP8198芯片內置高精度的電流采樣電路,實 現高精度的 LED 恒流輸出和優異的線電壓調整率。 芯片工作在電感電流臨界模式,輸出電流不隨電感 量和 LED 工作電壓的變化而變化,實現優異的負載 調整率。
OCP8198具有多重保護功能,包括 LED 短路保 護,芯片供電欠壓保護,芯片溫度過熱 調節等。 該芯片采用 SOP-7L 封裝,工作溫度范圍從-40°C 到 85°C。
? 特征 ? 85VAC 到 265VAC 輸入電壓范圍 ? 高壓 JFET 啟動及供電 ? 超快 LED 啟動時間 ? 超低工作電流 ? 優異的線電壓/負載調整率 ? 臨界導通模式以實現高效率 ? 內置 500V 功率 MOSFET ? 輸出開/短路保護 ? 過載過溫保護 ? 逐周期的過流限制 ? RoHS 綠色環保材料封裝 ? 無需 VCC電容 ? -40℃ to +85℃的環境工作溫度
替代:KP1075X,BP2861XK,DP9511X

