M7022E 觸摸感應IC是為實現人體觸摸界面而設計的集成電路。可替代機械式輕觸按鍵,實現防水防 塵、密封隔離、堅固美觀的操作界面。使用該芯片可以實現 LED 燈光的觸摸開關控制和亮度調節。方案所需的 外圍電路簡單,操作方便。確定好靈敏度選擇電容,IC 就可以自動克服由于環境溫度、濕度、表面雜物等造成 的各種干擾,避免由于電阻、電容誤差造成的按鍵差異。
◇ 燈光亮度可根據需要隨意調節,選擇范圍寬,操作簡單方便 ◇ 控制信號輸出頻率達 20KHz,無頻閃現象。 ◇ 高靈敏度(用戶可自行調節) ◇ 高防水性能 ◇ 待機功耗低,省電 ◇ 高抗干擾性能,近距離、多角度手機干擾情況下,觸摸響應靈敏度及可靠性不受影響 ◇ 按鍵感應盤大小:大于 3mm×3mm,根據不同面板材質跟厚度而定 ,可以直接用大面積金屬片 ◇ 按鍵感應盤間距:大于 2mm ◇ 按鍵感應盤形狀:任意形狀(必須保證與面板的接觸面積) ◇ 按鍵感應盤材料:PCB 銅箔,金屬片,平頂圓柱彈簧,導電橡膠,導電油墨,導電玻璃的 ITO 層等 ◇ 面板材質:絕緣材料,如有機玻璃,普通玻璃,鋼化玻璃,塑膠,木材,紙張,陶瓷,石材等 ◇ 面板厚度:0-12mm,根據不同的面板材質有所不同 ◇ 工作溫度:-25℃-85℃ ◇ 工作電壓:2.7V-5.5V ◇ 封裝類型:SOP8 ◇ 應用領域:觸摸臺燈、觸摸按鍵開關等。

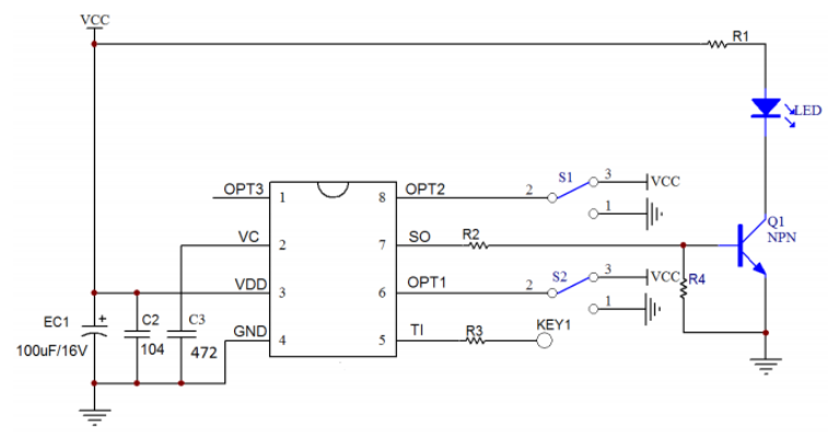
TI 觸摸輸入對應 SO 燈光控制輸出,通過調制 PWM 輸出信號的占空比控制 LED 燈的開關和亮度變 化,PWM 信號的頻率固定為 20KHz 左右。 共有八種功能可選,由 OPT1/OPT2/OPT3 管腳上電前的輸入狀態來決定。具體如下: 1)OPT1 & OPT2 & OPT3 全部懸空或接電源:不帶亮度記憶不帶亮度緩沖的 LED 觸摸無級調光 2)OPT1 接地,OPT2 & OPT3 懸空或接電源:帶亮度記憶不帶亮度緩沖的 LED 觸摸無級調光 3)OPT1 & OPT3 懸空或接電源,OPT2 接地:LED 三段觸控調光,【高->中->低->滅】循環 4)OPT1 & OPT2 接地, OPT3 懸空或接電源:LED 三段觸控調光,【低->中->高->滅】循環 5)OPT1 & OPT2 懸空或接電源, OPT3 接地:單路觸摸按鍵,觸控按鍵輸出低電平 6)OPT1 懸空或接電源,OPT2 & OPT3 接地: 單路觸摸按鍵,觸控按鍵輸出高電平 7)OPT1 & OPT3 接地,OPT2 懸空或接電源: 單鍵觸摸開關,上電輸出高電平 8)OPT1 & OPT2 & OPT3 接地:單鍵觸摸開關,上電輸出低電平