4056 是一款單節鋰離子電池恒流/恒壓線 性充電器,簡單的外部應用電路非常適合便攜式 設備應用,適合USB電源和適配器電源工作,內 部采用防倒充電路,不需要外部隔離二極管。熱 反饋可對充電電流進行自動調節,以便在大功率 操作或高環境溫度條件下對芯片溫度加以限制。
4056 充電截止電壓為4.2V,充電電流可通 過外部電阻進行設置。當充電電流降至設定值的 1/10時, 4056 將自動結束充電過程。 當輸入電壓被移掉后, 4056 自動進入低電 流待機狀態,待機電流降至1uA。
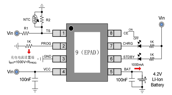
? 預充電壓:4.2V ? 電池反接保護功能 ? 最大充電電流:1000mA
? 僅電池情況下,超低功耗 1uA ? 無需 MOSFET、檢測電阻器和隔離二極管
? 智能熱調節功能可實現充電速率最大化 ? 智能再充電功能 ? C/10 充電終止
? 2.94V 涓流充電閾值 ? 封裝形式:ESOP8
應用 ? 充電座 ? 藍牙耳機、GPS ? 手機、PDA、MP3/MP4 ? 數碼相機、Mini 音響等便攜式設備



4056 是專門為一節鋰離子電池或鋰聚合物電池而設計的線性充電器,芯片集成功率晶體管,充電電流 可以用外部電阻設定,最大持續充電電流可達1000mA,不需要另加阻流二極管和電流檢測電阻。 4056 包含一個漏極開路輸出的狀態指示端,用于指示正在充電或充電完成。充電時管腳CHRG輸出低電平,表示 充電正在進行,充電完成后CHRG腳變為高阻態。STDBY充電完成狀態指示端當充電結束時,STDBY管腳 處于低電平,充電完成指示燈亮。充電過程中,此燈不亮。
如果電池電壓低于2.86V, 4056 用小電流對電池進行預充電。當電池電壓超過2.94V時,采用恒流模 式對電池充電,充電電流由PROG管腳和GND之間的電阻RPROG確定。當電池電壓接近4.2V電壓時,充電 電流逐漸減小, 4056 進入恒壓充電模式。當充電電流減小到充電結束閾值時,充電周期結束。充電結 束閾值是恒流充電電流的10%。 當電池電壓降到再充電閾值4.0V以下時, 4056 自動開始新的充電周期。芯片內部的高精度電壓基準源、 誤差放大器和電阻分壓網絡確保電池端調制電壓的精度在1%以內,滿足鋰離子電池和鋰聚合物電池的要求。 當輸入電壓低于欠壓鎖定閾值電壓或者輸入電壓低于電池電壓時,充電器進入低功耗的睡眠模式,此時電池 端消耗的電流小于1uA。
4056 內部的智能溫度控制電路在芯片的結溫超過135℃時自動降低充電電流,這個功能可以使用戶最 大限度的利用芯片的功率處理能力,不用擔心因為過熱而損壞芯片或者外部元器件。這樣,用戶在設計充電 電流時,可以不用考慮最壞情況,而只是根據典型情況進行設計因為在最壞情況下, 4056 會自動減小 充電電流。