0.98,THD<10%">
單組最大功率≤100W@230Vac
驅動效率>90%
PF > 0.98
THD<10%,符合分次諧波標準
恒功率: ≤ ±5% (電網波動±10%)
強浪涌特性,輕松滿足4KV浪涌設計
可替代開關電源,用于能效D級及以上要求的燈具驅動設計


| L1130 | ESOP8 | ≤12.5W @ 220Vac | 低諧波 具有過壓保護功能 | 印度市場符合BIS認證,THD<20%,適用于球泡、筒燈等方案 |
| L1022MH/SH | ESOP8 | ≤17W @ 220Vac | 專利主從架構 具有過壓保護功能 | 符合3C與CE認證,適用于戶外燈、UFO等方案 |
| L1022MJ/SJ | ESOP16 | ≤17W @ 220Vac | 專利主從架構 具有過壓保護功能 | 符合3C與CE認證,適用于戶外燈、UFO等方案,大封裝溫度特性更好 |
| L1022MK/SK | ESOP8 | ≤10W @ 120Vac | 專利主從架構 單顆大功率 | 美規120Vac,低諧波,適用于戶外燈、UFO等方案 |
| L1025M/S | ESOP8 | ≤15W @ 220Vac | 專利主從架構 低BOM成本方案 | 歐規L1022系列 cost down版本 |
| L1025MC/SC | ESOP16 | ≤15W @ 220Vac | 專利主從架構低BOM成本方案 | 歐規L1022系列 cost down版本 |
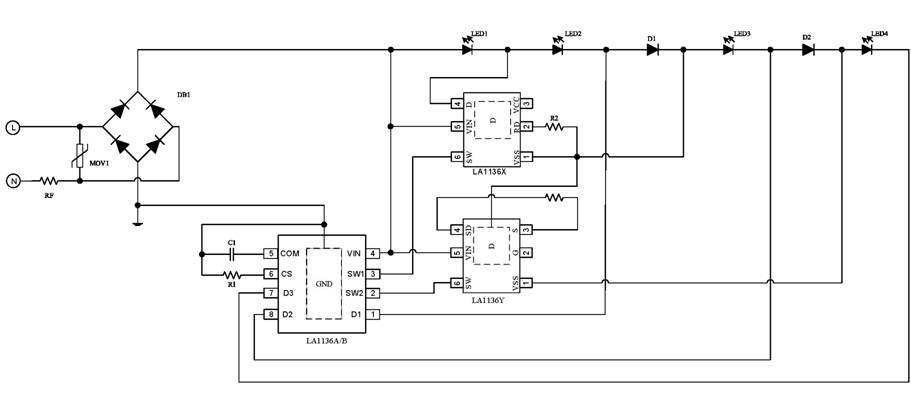
| LA1136AB | ESOP8 | ≤30W @ 220Vac | 高光效低BOM成本方案 | 電源效率>90%,符合3C與CE認證,適用于T泡、支架燈、戶外燈、UFO等方案 |
| LA1136BB | ESOP16 | ≤50W @ 220Vac | 高光效低BOM成本方案 | 電源效率>90%,符合3C與CE認證,適用于T泡、支架燈、戶外燈、UFO等方案 |
| L1051 | ESSOP10 | ≤100W @ 220Vac | 極低頻閃 燈珠亮度一致 | 高PF無頻閃,符合3C與CE認證,適用于平板燈、支架燈、戶外燈、UFO等方案 |