RM3412SL為高性能的開關電源60V同步整流產品,兼容多種開關電源控制系統。RM3412SL支持DCM和CCM多種工作模式。RM3412SL采用專利的整流管開通判定技術,可以有效的避免因激磁振蕩引起的驅動芯片誤開通。RM3412SL具有極快的關斷速度,可以大幅度降低在CCM工作條件下因關斷延遲造成的效率損失。RM3412SL采用特有的VCC供電技術,可以保證芯片不會欠電工作。另外RM3412SL還集成了VCC欠壓保護,過壓鉗位,以及驅動腳去干擾等技術。RM3412SL采用SOP8L封裝。
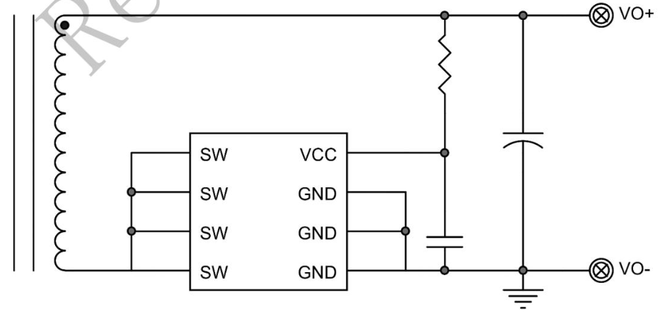
開關電源同步整流應用
內置60V耐壓SGT MOSFET
兼容DCM和CCM多種工作模式
專有整流管開通技術
集成VCC供電技術
芯片供電欠壓保護
芯片過壓鉗位
外圍元器件少
極簡外圍
應用領域 反激電源 電源適配器 開放式電源 TV/機頂盒電源 PD快充電器

原理圖僅供參考 以規格書為準
| 產品型號 | 功能特點 | 最大功率 | 功率管參數 | 最大頻率 | 封裝形式 |
|---|---|---|---|---|---|
| RM3402AH | DCM/QR 自供電架構 可任意放置高側及低側 | 5V/4A | 7mΩ/40V | 150kHz | TO-252 |
| RM3451SAL | DCM/QR/CCM 10nS超快關斷延時 自供電架構、寬電壓輸出 可任意放置高側及低側 支持USBPD+PPS系統 最大工作頻率350kHz | 20W | 15mΩ/60V | 350kHz | SOP-8 |
| RM3451SAK | DCM/QR/CCM 10nS超快關斷延時 自供電架構、寬電壓輸出 可任意放置高側及低側 支持USBPD+PPS系統 最大工作頻率350kHz | 20W | 15mΩ/60V | 350kHz | SOP-8 |
| RM3402SAL | DCM/QR/CCM 超快關斷延時 自供電架構、寬電壓輸出 可任意放置高側及低側 | 24W | 13mΩ/60V | 150kHz | SOP-8 |
| RM3402SA | DCM/QR/CCM 超快關斷延時 自供電架構、寬電壓輸出 可任意放置高側及低側 | 36W | 10mΩ/60V | 150kHz | SOP-8 |
| RM3432SH | DCM/QR/CCM 超快關斷延時 自供電架構、寬電壓輸出 可任意放置高側及低側 | 36W | 10mΩ/60V | 150kHz | SOP-8 |
| RM3432SA | DCM/QR/CCM 超快關斷延時 自供電架構、寬電壓輸出 可任意放置高側及低側 | 36W | 10mΩ/60V | 150kHz | SOP-8 |
| RM3434SA | DCM/QR/CCM 超快關斷延時 自供電架構、寬電壓輸出 可任意放置高側及低側 | 24W | 12mΩ/80V | 150kHz | SOP-8 |
| RM3434SH | DCM/QR/CCM 超快關斷延時 自供電架構、寬電壓輸出 可任意放置高側及低側 | 24W | 12mΩ/80V | 150kHz | SOP-8 |
| RM3434AH | DCM/QR/CCM 超快關斷延時 自供電架構、寬電壓輸出 可任意放置高側及低側 | 36W | 6mΩ/80V | 150kHz | TO-252 |
| RM3435SH | DCM/QR/CCM 超快關斷延時 自供電架構、寬電壓輸出 可任意放置高側及低側 | 36W | 10mΩ/100V | 150kHz | SOP-8 |
| RM3436DH | DCM/QR/CCM 超快關斷延時 自供電架構、寬電壓輸出 可任意放置高側及低側 | 65W | 7mΩ/100V | 150kHz | PDFN5*6 |
| RM3430TH | DCM/QR/CCM 超快關斷延時 自供電架構、寬電壓輸出 可任意放置高側及低側 | 65W | 外置MOS | 150kHz | SOT23-6 |
| RM3430T | DCM/QR/CCM 超快關斷延時 自供電架構、寬電壓輸出 可任意放置高側及低側 | 65W | 外置MOS | 150kHz | SOT23-6 |
| RM3401SL | DCM/QR 自供電架構 可任意放置高側及低側 | 5V/2A | 15mΩ/40V | 150kHz | SOP-8 |
| RM3402AL | DCM/QR 自供電架構 可任意放置高側及低側 | 5V/4A | 9mΩ/40V | 150kHz | TO-252 |
| RM3412SL | DCM/QR 自供電架構 可任意放置高側及低側 | 5V/3.4A | 8mΩ/60V | 150kHz | SOP-8 |
| RM3412S | DCM/QR 低側使用、外圍設計簡單 | 5V/3A | 7mΩ/40V | 150kHz | SOP-8 |
| RM3411S | DCM/QR 低側使用、外圍設計簡單 | 5V/2A | 16mΩ/40V | 150kHz | SOP-8 |
| RM3462SL | DCM/QR 自供電架構 可任意放置高側及低側 | 36W | 10mΩ/60V | 150kHz | SOP-8 |
| RM3461S | DCM/QR 自供電架構 可任意放置高側及低側 | 15W | 15mΩ/40V | 150kHz | SOP-8 |
| RM3462S | DCM/QR 自供電架構 可任意放置高側及低側 | 18W | 10mΩ/40V | 150kHz | SOP-8 |
| RM3461SCL | DCM/QR 自供電架構 可任意放置高側及低側 | 15W | 15mΩ/40V | 150kHz | SOP-8 |
| RM3461SL | DCM/QR 自供電架構 可任意放置高側及低側 | 25W | 10mΩ/60V | 150kHz | SOP-8 |
| RM3462AH | DCM/QR 自供電架構 可任意放置高側及低側 | 24W | 10mΩ/40V | 150kHz | TO-252 |
| RM3460S | DCM/QR 自供電架構 可任意放置高側及低側 | 12W | 20mΩ/40V | 150kHz | SOP-8 |
| RM3450T | DCM/QR/CCM 10nS超快關斷延時 自供電架構、寬電壓輸出 可任意放置高側及低側 支持USBPD+PPS系統 最大工作頻率350kHz | 120W | 外置MOS | 350kHz | SOT23-6 |
| RM3451SC | DCM/QR/CCM 10nS超快關斷延時 自供電架構、寬電壓輸出 可任意放置高側及低側 支持USBPD+PPS系統 最大工作頻率350kHz | 20W | 15mΩ/60V | 350kHz | SOP-8 |
| RM3454SC | DCM/QR/CCM 10nS超快關斷延時 自供電架構、寬電壓輸出 可任意放置高側及低側 支持USBPD+PPS系統 最大工作頻率350kHz | 25W | 12mΩ/80V | 350kHz | SOP-8 |
| RM3455SC | DCM/QR/CCM 10nS超快關斷延時 自供電架構、寬電壓輸出 可任意放置高側及低側 支持USBPD+PPS系統 最大工作頻率350kHz | 45W | 10mΩ/100V | 350kHz | SOP-8 |
| RM3454SAL | DCM/QR/CCM 10nS超快關斷延時 自供電架構、寬電壓輸出 可任意放置高側及低側 支持USBPD+PPS系統 最大工作頻率350kHz | 25W | 12mΩ/80V | 350kHz | SOP-8 |
| RM3451SA | DCM/QR/CCM 10nS超快關斷延時 自供電架構、寬電壓輸出 可任意放置高側及低側 支持USBPD+PPS系統 最大工作頻率350kHz | 20W | 15mΩ/60V | 350kHz | SOP-8 |
| RM3452SA | DCM/QR/CCM 10nS超快關斷延時 自供電架構、寬電壓輸出 可任意放置高側及低側 支持USBPD+PPS系統 最大工作頻率350kHz | 25W | 10mΩ/60V | 350kHz | SOP-8 |
| RM3454SA | DCM/QR/CCM 10nS超快關斷延時 自供電架構、寬電壓輸出 可任意放置高側及低側 支持USBPD+PPS系統 最大工作頻率350kHz | 25W | 12mΩ/80V | 350kHz | SOP-8 |
| RM3455SA | DCM/QR/CCM 10nS超快關斷延時 自供電架構、寬電壓輸出 可任意放置高側及低側 支持USBPD+PPS系統 最大工作頻率350kHz | 45W | 10mΩ/100V | 350kHz | SOP-8 |
| RM3452SH | DCM/QR/CCM 10nS超快關斷延時 自供電架構、寬電壓輸出 可任意放置高側及低側 支持USBPD+PPS系統 最大工作頻率350kHz | 25W | 10mΩ/60V | 350kHz | SOP-8 |
| RM3454SH | DCM/QR/CCM 10nS超快關斷延時 自供電架構、寬電壓輸出 可任意放置高側及低側 支持USBPD+PPS系統 最大工作頻率350kHz | 25W | 12mΩ/80V | 350kHz | SOP-8 |
| RM3455DH | DCM/QR/CCM 10nS超快關斷延時 自供電架構、寬電壓輸出 可任意放置高側及低側 支持USBPD+PPS系統 最大工作頻率350kHz | 60W | 10mΩ/100V | 350kHz | PDFN5*6 |
| RM3456DH | DCM/QR/CCM 10nS超快關斷延時 自供電架構、寬電壓輸出 可任意放置高側及低側 支持USBPD+PPS系統 最大工作頻率350kHz | 65W | 7mΩ/100V | 350kHz | PDFN5*6 |
| RM3450TH | DCM/QR/CCM 10nS超快關斷延時 自供電架構、寬電壓輸出 可任意放置高側及低側 支持USBPD+PPS系統 最大工作頻率350kHz | 120W | 外置MOS | 350kHz | SOP23-6 |
| RM3455SH | DCM/QR/CCM 10nS超快關斷延時 自供電架構、寬電壓輸出 可任意放置高側及低側 支持USBPD+PPS系統 最大工作頻率350kHz | 45W | 10mΩ/100V | 350kHz | SOP-8 |