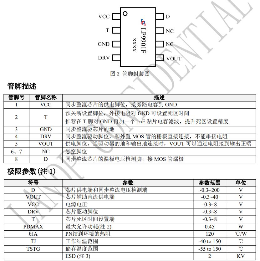
LP9901是一款專門為 200W 以上大功率開關電源 優化的高性能副邊同步整流控制芯片,適用于正激 和反激拓撲的 AC/DC 開關電源。
LP9901 支持定 頻率 CCM、DCM 或變頻率 BCM、QR 等多種工作 模式。 LP9901F 采用專利的自適應周期追蹤技術和專利的 死區時間外置可編程技術,可以準確判斷下一周期 的原邊 MOS 管開通時刻,并提前一段時間(由 T 腳電阻設定的死區時間)關斷副邊同步續流管。
可以有效避免原邊 MOS 和副邊同步續流管共通造成 的各種問題,大大提升同步整流電路的可靠性! LP9901F 采用專利的死區時間外置可編程技術,通 過調整一個電阻阻值即可以調節系統在 CCM 模式 下同步整流管關斷的死區時間。
此外,LP9901 內 置專利電路可以有效的避免因激磁電感和寄生電 容振蕩引起的驅動芯片誤動作以及在 CCM 工作條 件下純電壓判定的關斷延遲造成的效率損失。
LP9901 采用多樣化的 VCC 供電技術,在不需要 輔助繞組供電的情況下,保證 AC-DC 控制器在多 種輸出電壓條件時,芯片 VCC 供電腳都不會欠壓。 不同于消費類電子產品的應用,LP9901 采用 MSL1 等級的加強 SOP8 封裝,散熱好,防潮等級 最優,具有極高的可靠性,非常適用于工業電源、 戶外電源、防水電源等領域。
特點 ? 專門為大功率工業電源優化 ? 適用正激和反激系統的同步整流應用 ? 兼容 CCM,DCM,QR,BCM 多種工作模式 ? 控制芯片 200V 高耐壓 ? 專利的整流管開通技術和周期追蹤技術
? 多樣化 VCC 供電技術及 UVLO ? 外圍電路及其簡單,方便 PCB 設計 ? 為大功率電源加強了驅動能力和散熱能力 ? 專有 Vcc 建立前驅動腳強下拉電路,防止 Miller 電容造成的誤導通
? 防潮等級 MSL1 媲美進口芯片,潮濕戶外環境 使用無憂 ? SOP8 封裝,加強散熱能力,可以驅動大功率 同步整流 MOS

