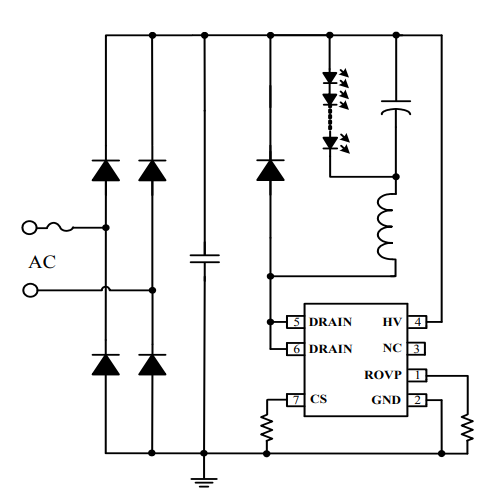
OCP8166X 是一款帶有源功率因素校正的高精度非 隔離型降壓型 PFC LED 驅動芯片,專為通用電源設 計且具有恒流控制作用。且 BP2362XH 工作在臨界 導通模式,減小了開關損耗并優化了 EMI。
OCP8166X去除了VCC,COMP電容以此簡化外部電路。 它采用了特有的電流檢測技術,減少了外部元件的 同時可實現高精度輸出電流,且擁有良好的線性調 整率和負載調整率。
OCP8166X 具有多重保護功能以加強系統可靠性,包 括 LED 短路保護,LED 開路保護,另外,OCP8166X 具 有過熱調節功能,在驅動電源過熱時減小輸出電流, 以提高系統的可靠性。
特點 ? 有源功率因數校正,0.9 PF,低諧波 ? 無 VCC 和 COMP 電容 ? 外置電流采樣電阻 ? 電感電流臨界連續模式 ? LED 短路保護 ? LED 開路保護(OVP 電阻調節) ? Enable 功能兼容開關調色和感應燈 ? 逐周期電流限流 ? 過熱調節功能 ? 采用 SOP7 封裝
應用 ? LED 球泡燈 ? LED 燈管 ? 其它 LED 照明
替代型號:SDH790XSLN, BP2362XH,KP126XC

