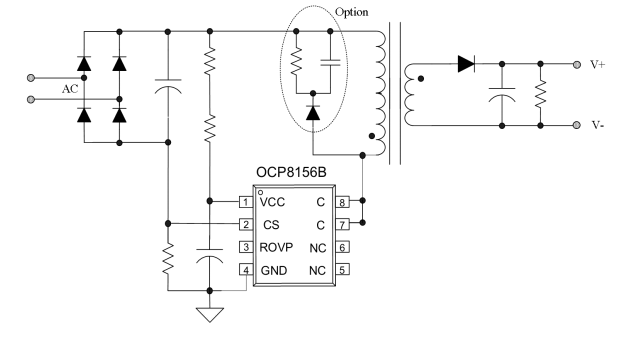
OCP8156 是 一 款 擁 有 自 供 電 功 能 的 高 性 價 比 LED 電源恒流驅動芯片,優異的線電壓調整率、 負載調整率、輸出電流精度高,被廣泛應用于各種 LED 照明場合。
OCP8156 采用隔離 flyback PSR 拓撲結構,無 需供電輔助繞組即可穩定工作。芯片工作在 電 感 電 流 斷 續 ( DCM ) 模 式 , 全 電 壓 85Vac~264Vac 下 ,輸 出 功 率 可 滿 足 3W~18W 的 LED 驅動電源應用。
OCP8156 內置高壓 BJT,反激拓撲應用中可省 略用于吸收漏感尖峰電壓的 RCD 電路,方案元件 數量少,物料成本低極具性價比。
OCP8156 提供了豐富的保護功能,包含逐周期 限流、VCC 欠壓保護、輸出過壓保護、輸出短路 保護、過溫保護等。
? VCC 欠壓保護 ? IC自供電,無需輔助供電繞組 ? 內置高壓 800V NPN ? 輸入線性調整率<±3% ? LED 輸出恒流精度<±3% ? 輸出開路保護,支持懸空或接地方式,控制簡單 ? 輸出短路保護,極低的短路待機功耗 ? 逐周期限流功能 ? 優異的抗噪聲干擾能力 ? OTP過溫保護功能,電流下降平滑、燈光無閃爍 ? 極少的外圍元件,超低物料成本
替代型號:S6613X,FT8353X


