DW03內置高精度電壓檢測電路和延遲電路,是單節鋰離子/鋰聚合物可充電電池組保護的高集成度解決方案。DW03片上集成了先進的低阻抗功率MOSFET,高精度的電壓檢測電路,延時電路。
DW03 具有電池應用所需的所有保護 功能,包括過充電、過放電、過電流和負 載短路保護等。精確的過充檢測電壓可安 全、充分地保障電池充電,超低的待機電 流使得 DW03 在存儲時消耗極少的電池能 量。
DW03 不僅適用于數字移動電話,還適 用于其它需要長期電池壽命的鋰離子和鋰 聚合物電池供電的信息設備。
? 充電器反接保護、電池反接保護 ? 芯片高溫保護 ? 電池高溫保護 ? 充電器檢測 ? 過充電電流保護 ? 過放電自鎖功能
? 三段過流檢測:1.放電過流 1 2.放電過流 2 3.負載短路保護
? 內部集成等效 48mΩ先進的功率 MOSFET ? 低功耗電流:正常工作:1.5μA 典型 自鎖模式:0.3μA ? 允許向 0V 電池充電功能
? ESD:HBM=4kV ? 封裝:SOT23-5
應用 ? 單節鋰離子可再充電電池 ? 單節鋰聚合物可再充電電池



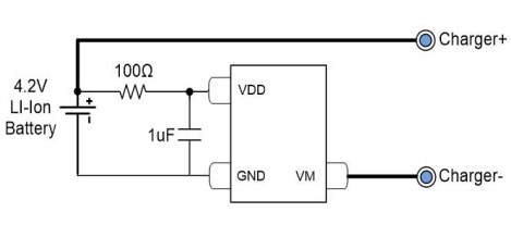
DW03 通過監測電池的電壓和電流,斷開電池與負載或充電器的連接,保護電池不因過 充電電壓、過放電電壓、過放電電流和短路情況而損壞。為了在規定的條件內使用電池,這 些功能是必需的。同時 DW03 內部集成 MOSFET,外部僅需一個 0.1uF 電容和 100Ω電阻即 可起到保護作用,內部等效 RDS(ON)典型值 54mΩ。
(一) 正常工作狀態 未檢測到異常情況,電池可以自由充電與放電,此狀態稱為正常工作模式。
(二) 過充電狀態 當電池電壓在正常充電期間高于過充電檢測電壓(VCU)且狀態持續超過過充電檢測延 遲時間(TCU),DW03 會關閉充電控制 FET 以停止充電進入過充電狀態。在以下兩種情況 下,將解除過充電狀態: 1)當電池電壓降至過充電釋放電壓(VCL)以下時,DW03 接通充電控制 FET 并返回 正常狀態; 2)當連接負載并開始放電時,DW03 接通充電控制 FET 并返回到正常狀態。釋放機制 如下:在連接負載開始放電后,放電電流立即流過充電 FET 的內部寄生二極管,并且 VM 引腳電壓從 GND 引腳增加約 0.7V(二極管的正向電壓)瞬時電壓,DW03 檢測到該電壓并 釋放過充電狀態。因此在電池電壓等于或低于過充電檢測電壓(VCU)的情況下,DW03 立 即返回正常狀態,但電池電壓高于過充電檢測電壓(VCU)的情況下,即使已連接負載,芯片也處于過充電狀態。此外,如果在連接負載開始放電時 VM 引腳電壓等于或低于過電流 1 檢測電壓,芯片不會恢復正常狀態。 備注:如果電池充電至高于過充電檢測電壓(VCU)的電壓,且連接會引起過電流的重負載,電池電壓也 未降至過充電檢測電壓(VCU)以下時,則過電流 1 和過電流 2 檢測不會工作,直至電池電壓降至過充電 檢測電壓(VCU)以下。但是,由于實際電池的內部阻抗為幾十 mΩ,在連接會引起過電流的重負載后電 池電壓會立即降至充電檢測電壓(VCU)以下,所以過電流 1 和過電流 2 檢測會工作。負載短路檢測一致 工作,與電池電壓無關。
(三) 過放電狀態 當電池電壓在正常放電期間降至過放電檢測電壓(VDL)以下且狀態持續超過過放電檢 測延遲時間(TDL),DW03 將關閉放電控制 FET 并停止放電進入過放電狀態。放電控制 FET 關斷后,VM 引腳被 VM 和 VDD 內部電阻 RVMD 上拉。同時,當 VM 電壓大于 1.5V(Typ- 負載短路檢測電壓)時,芯片的電流將減小為掉電電流(IPDN),此條件稱為掉電條件,此 狀態下,VM 引腳同樣被 VM 和 VDD 內部電阻 RVMD 上拉。當電池連接充電器且 VM 和 VDD 之間的電位差為 1.3V(Typ)或更高(負載短路檢測電壓)時,掉電狀態被解除,此時,FET 仍處于關閉狀態。當電池電壓達到過放電檢測電壓(VDL)或更高(過放電釋放電壓 VDR) 時,DW03 會打開 FET,并從過放電狀態變為正常狀態。
(四) 過電流狀態 在正常放電期間,當放電電流等于或大于指定值(VM 引腳電壓等于或大于過電流檢測 電壓)且狀態持續過流檢測延遲時間,DW03 將關閉放電控制 FET 并停止放電進入過電流狀 態。(過電流包括過電流或負載短路) 在過流條件下,VM 和 GND 引腳通過 RVMS 電阻在內部短路。連接負載后,VM 引腳電 壓通過負載等于 VDD 電壓,當釋放負載后,B+和 B-之間的阻抗高于自動可恢復阻抗時,過 電流狀態恢復到正常狀態。負載移除后,由于 VM 引腳通過 RVMS 電阻與 GND 引腳短路, 因此 VM 引腳返回到 GND 電位。同時檢測到 VM 引腳電位低于過流檢測電壓(VIOV1)時, 芯片也會返回正常狀態。
(五) 短路狀態 如果 VM 引腳的電壓等于或低于短路保護電壓(VSHORT),則 DW03 將停止放電且電 池與負載斷開連接。關斷電流的最大延遲時間為 TSHORT。當 VM 引腳的電壓高于短路保護 電壓(VSHORT)時(如斷開負載),此狀態被釋放。
(六) 0V 電池充電功能 該功能允許為自放電為 0V 電池充電。當充電器為 0V 電池充電時,在 B+和 B-引腳之 間連接一個充電器,充電器電壓達到 V0CHA 或更高,則充電控制 FET 柵極固定為 VDD 電位。 當充電控制 FET 的柵極和源極之間的電壓變為等于或高于充電器電壓時,充電控制 FET 導 通以開始充電。此時,放電控制 FET 截止,充電電流流過放電控制 FET 中的內部寄生二極 管。如果電池電壓等于或高于過放電釋放電壓(VDU),則恢復正常狀態。