首頁 >> 產品中心 >> MOSFET功率器件
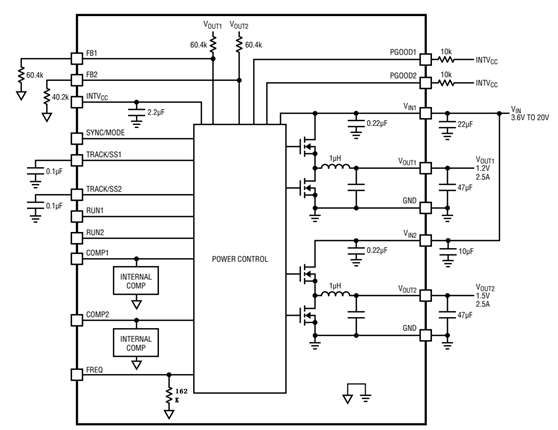
M4622是一款雙通道降壓型微模塊穩壓器,采用塑封工藝,可滿足全溫區工作要求。控制芯片采用0.18μmBCD工藝,BGA封裝,
外形尺寸典型值為6.25 mm×6.25mm×2.42mm,典型工作環境溫度為-55℃~+125℃。
輸入電壓范圍為 3.6V~20V, 輸出電壓范圍為0.6V~5.5V,
可提供雙路2.5A 電流,雙通道并聯使用時,可提供單路5A 電流。
◆ 每路輸出可提供2.5A電流
◆ 寬輸入電壓范圍:3.6V至20V
◆ 0.6V至5.5V 輸出電壓
◆ 每通道可提供2.5A DC輸出電流
◆ 1MHz 工作頻率
◆ 電流模式控制、快速瞬態響應
◆ 并聯均流,單顆模組可并聯輸出5A
◆ 軟起動、輸出電壓跟蹤
◆ 外部頻率同步
◆ 過流和過熱保護



| Model | ADI/LINEAR | Control Mode | Input Voltage | Out Voltage | Temperature | Packaging form |
| CDM4650 | LTM4650 | DC/DC Micro-module regulator | 4.5V~16V | 0.6V~5.5V | -40℃~125℃ | BGA-144 |
| CDM4644 | LTM4644 | DC/DC Micro-module regulator | 4V~14V | 0.6V~5.5V | -40℃~125℃ | BGA-77 |
| CDM4620 | LTM4620 | DC/DC Micro-module regulator | 4.5V~16V | 0.6V~5.5V | -40℃~125℃ | LGA-144/BGA-144 |
| CDM4630 | LTM4630 | DC/DC Micro-module regulator | 4.5V~18V | 0.6V~5.5V | -40℃~125℃ | LGA-144/BGA-144 |
| CDM4628A | LTM4628 | DC/DC Micro-module regulator | 4.5V~26.5V | 0.6V~5.5V | -40℃~125℃ | LGA-144/BGA-144 |
| CDM4627 | LTM4627 | DC/DC Micro-module regulator | 4.5V-20V | 0.6V-5.5V | -40℃~125℃ | LGA-133 BGA-133 |
| CDM4637 | LTM4637 | DC/DC Micro-module regulator | 4.5V-20V | 0.6V-5.5V | -40℃~125℃ | LGA-133 BGA-133 |
| CDM4608 | LTM4608 | DC/DC Micro-module regulator | 2.375-5.5V | 0.6V-5V | -40℃~125℃ | LGA-68 |
| CDM4616 | LTM4616 | DC/DC Micro-module regulator | 2.7V-5.5V | 0.6V-5V | -40℃~125℃ | LGA-144 BGA-144 |
| CDM4601 | LTM4601 | DC/DC Micro-module regulator | 4.5V-20V | 0.6V-5.0V | -40℃~125℃ | LGA-118 BGA-118 |
| CDM4612 | LTM4612 | DC/DC Micro-module regulator | 5V-35V | 3.3V-15V | -40℃~125℃ | LGA-133 |
| CDM4613 | LTM4613 | DC/DC Micro-module regulator | 5V-35V | 3.3V-15V | -40℃~125℃ | LGA-133 BGA-133 |