首頁 >> 產品中心 >> MOSFET功率器件
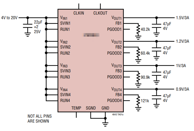
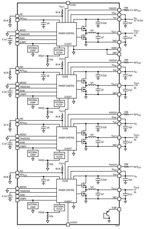
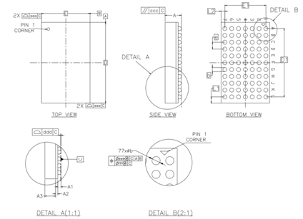
M4643是一款四通道降壓型微模塊穩壓器,采用塑封工藝,可滿足全溫區工作要求。控制芯片采用0.18μm BCD工藝,封裝形式采用 BGA77,外形尺寸典型值為9 mm×15mm×2.506mm。
工作環境溫度為-55℃~+125℃,輸入電壓范圍為4V~20V,輸出電壓范圍為0.6V~5.5V,可提供四路3A電流,四通道并聯使用時,可提供單路12A電流。
◆每路輸出可提供3A 電流
◆寬輸入電壓范圍:4V至20V
◆ 0.6V 至5.5V 輸出電壓
◆每通道可提供3A DC、4A峰值輸出電流
◆ 1MHz 工作頻率
◆電流模式控制、快速瞬態響應
◆并聯均流,單顆模組可并聯輸出12A
◆軟起動、輸出電壓跟蹤
◆外部頻率同步
◆過流和過熱保護



| Model | ADI/LINEAR | Control Mode | Input Voltage | Out Voltage | Temperature | Packaging form |
| CDM4650 | LTM4650 | DC/DC Micro-module regulator | 4.5V~16V | 0.6V~5.5V | -40℃~125℃ | BGA-144 |
| CDM4644 | LTM4644 | DC/DC Micro-module regulator | 4V~14V | 0.6V~5.5V | -40℃~125℃ | BGA-77 |
| CDM4620 | LTM4620 | DC/DC Micro-module regulator | 4.5V~16V | 0.6V~5.5V | -40℃~125℃ | LGA-144/BGA-144 |
| CDM4630 | LTM4630 | DC/DC Micro-module regulator | 4.5V~18V | 0.6V~5.5V | -40℃~125℃ | LGA-144/BGA-144 |
| CDM4628A | LTM4628 | DC/DC Micro-module regulator | 4.5V~26.5V | 0.6V~5.5V | -40℃~125℃ | LGA-144/BGA-144 |
| CDM4627 | LTM4627 | DC/DC Micro-module regulator | 4.5V-20V | 0.6V-5.5V | -40℃~125℃ | LGA-133 BGA-133 |
| CDM4637 | LTM4637 | DC/DC Micro-module regulator | 4.5V-20V | 0.6V-5.5V | -40℃~125℃ | LGA-133 BGA-133 |
| CDM4608 | LTM4608 | DC/DC Micro-module regulator | 2.375-5.5V | 0.6V-5V | -40℃~125℃ | LGA-68 |
| CDM4616 | LTM4616 | DC/DC Micro-module regulator | 2.7V-5.5V | 0.6V-5V | -40℃~125℃ | LGA-144 BGA-144 |
| CDM4601 | LTM4601 | DC/DC Micro-module regulator | 4.5V-20V | 0.6V-5.0V | -40℃~125℃ | LGA-118 BGA-118 |
| CDM4612 | LTM4612 | DC/DC Micro-module regulator | 5V-35V | 3.3V-15V | -40℃~125℃ | LGA-133 |
| CDM4613 | LTM4613 | DC/DC Micro-module regulator | 5V-35V | 3.3V-15V | -40℃~125℃ | LGA-133 BGA-133 |